专题 50 张图片

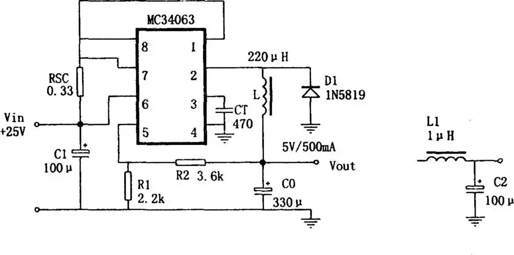
mc34063降压电路图

探索 mc34063降压电路图 相关的精美图片,激发您的创意灵感,为您的项目增添独特的视觉效果。

50
图片总数
2,057
总浏览量
11,014
总收藏数
13,264
总下载量